七氟丙烷自动灭火系统的工作原理
作者:亿杰北京消防工程 添加时间:2018-11-06 15:38
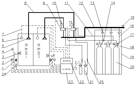
管网式七氟丙烷自动灭火系统的工作原理图:

管网式系统示意图

管网式系统示意图
| 1.紧急启停按钮 | 2.放气指示灯 | 3.声报警器 | 4.声光报警器 |
| 5.喷 嘴 | 6.火灾探测器 | 7.电气控制线路 | 8.灭火剂输送管道 |
| 9.选择阀 | 10.信号反馈装置 | 11.启动管路 | 12.集流管 |
| 13.灭火剂管路单向阀 | 14.启动管路单向阀 | 15.安全泄压阀 | 16.压力软管 |
| 17.灭火剂容器阀 | 18.机械应急启动把手 | 19.瓶组架 | 20.灭火剂容器 |
| 21.启动装置 | 22.报警控制器 | 23.灭火控制器 | 24.安全隔离装置 |
| 25.低泄高密阀 |
相关资讯
- 08-12使用柜式七氟丙烷钢瓶时需要注意哪
- 08-12安装柜式无官网七氟丙烷钢瓶系统需
- 07-02消防主机气体灭火主机指示灯颜色代
- 07-02海湾GST-QKP04气体灭火控制器的技术参
- 07-02海湾气体灭火控制器有哪些特点?
- 07-02气体灭火控制器应该具有哪些功能?
- 05-14IG541 七氟丙烷钢瓶的保养方法
- 05-14气体灭火钢瓶多久报废?
- 05-14气体灭火系统维修方法
- 02-26有报警功能的气体灭火控制器调试方






