气体灭火

    北京亿杰消防8年来为全国近200家各种数据机房,档案馆,图书馆,配电室,安装和维护气体灭火系统。经验丰富,质量可靠,获得广大客户的好评。

    北京亿杰消防公司是以安装机房气体灭火系统、无管网气体灭火系统、有官网气体灭火系统、柜式气体灭火系统等自动报警系统为主的专业公司,是一个具有气体灭火施工、安装、维修、气体灭火检测等多元化大型企业。

    售后服务:气体灭火系统属于高端气体灭火设备,产品需由厂家进行设备更换及维修,本产品在安装调试正常后,我们为您免费一年的维保,提供季度巡检,电话支持,定期培训的售后服务。

    我们的专业团队:我们拥有专业的安装施工团队、制图团队、预算团队、项目施工监督人员,及策划运营团队,能够高效率、高质量的完成您的要求。

    北京气体灭火热线:4000-346-119

数据中心机房气体灭火

数据中心机房气体灭火......

[查看详情]

机房气体灭火系统 七氟丙

七氟丙烷灭火设备 有管网气体灭火系统 产品名称: 七氟...

[查看详情]

消防行业七氟丙烷气体灭

中国消防电子产业是中国消防产业的一部分,又是技术含...

[查看详情]

机房气体灭火消防解决方

一.基本概念 为保护一些不能用水扑救部位的避免火灾...

[查看详情]

使用气体灭火系统的注意

气体灭火系统使用的一般要求: 1.气体灭火系统、装置安...

[查看详情]

七氟丙烷系统的启动方式

七氟丙烷消防设备具有自动启动、手动启动和机械应急启...

[查看详情]

悬挂式气体灭火装置设计

悬挂式灭火装置、悬挂灭火装置、悬挂灭火、悬挂式、...

[查看详情]

图书馆气体灭火如何安装

气体灭火中灭火剂输送管道及配套管件采用内外镀锌无缝...

[查看详情]

无管网气体灭火由哪些气

常用的无管网气体灭火主要由控制系统和七氟丙烷灭火系...

[查看详情]

配电室机房气体灭火系统

目前在机房消防设计中一般都采用:吊顶内采用点型定温...

[查看详情]

档案室气体灭火系统是如

气体灭火系统,柜式气体灭火......

[查看详情]

如何计算七氟丙烷气体灭

七氟丙烷是碳、氟和氢的化合物,分子式为CF3CHFCF3,密度...

[查看详情]

七氟丙烷气体灭火系统

一、系统简介 七氟丙烷(HFC-227ea、FM-200)是无色、无味...

[查看详情]

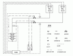
七氟丙烷气体灭火系统原理

七氟丙烷气体灭火系统的工作原理是怎样的,下面这张图...

[查看详情]

气体灭火适用范围

气体灭火系统适用于扑救下列火灾: 1、电气火灾; 2、...

[查看详情]

气体灭火系统的调试事项

气体灭火系统的调试包括:设备编码、接线方式、气体灭...

[查看详情]